工作時間 周一至周六 8:00-17:00
JY-3/2電壓監視繼電器是為了直流電源裝置設計的電壓監測專用繼電器,在主回路電壓為180-240V時,可監測主回路的欠電壓或過電壓狀態,同時還可監測副回路在180-360V范圍內的欠電壓狀態。
JY-3/2電壓監視繼電器應用范圍
JY-3/2電壓監視繼電器是為了直流電源裝置設計的電壓監測專用繼電器,在主回路電壓(即控制母線電壓)為180-240V時,可監測主
回路的欠電壓或過電壓狀態,同時還可監測副回路(即合閘母線回路和充電機回路)在180-360V范圍內的欠電壓狀態。
JY-3/2電壓監視繼電器型號

JY-3/2電壓監視繼電器主要技術參數
●額定值:直流電壓額定值(接蓄電池)200V(③為正極;⑨為負極)
●整定范圍:主回路(①、⑨端子之間,即控制母線電壓)電壓整定范圍為:180~240V;副回路(⑤、⑦與⑨端子之間,即充電機電壓和
合閘母線電壓)動作電壓整定范圍為:180~360V。
●動作一致性:不大于3%。
●返回系數:過電壓回路返回系數不小于0.95;欠電壓回路返回系數不大于1.05。
●動作時間:過電壓回路施加1.1倍整定值時動作時間為1.5s;欠電壓回路施加激勵量從整定值突變到0.5倍整定值時動作時間為1.5s。
●功率消耗:當電源回路施加額定值時,產品的功率消耗不大于15W(使所有繼電器都動作)。
●觸點容量:在電壓不超過250V,電流不超過5A,時間常數為5±0.75ms的直流有感負荷電路中,產品輸出觸點的斷開容量為50W。輸
出觸點在上述規定的負荷條件下,產品能可靠動作及返回5×104次。輸出觸點長期允許接通電流為5A。
JY-3/2電壓監視繼電器內部接線及外引接線圖(背視圖)

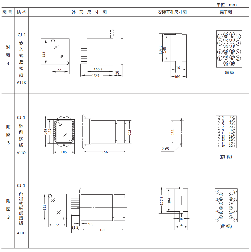
JY-3/2電壓監視繼電器外形尺寸及開孔尺寸

礦山冶金
化工、化肥、水泥、紡織
能源、環保
機械電子
火電、水電
造紙、制糖、制藥
市政基礎建設
原料、鋼鐵
上一篇:JY-1C/2電壓繼電器
下一篇:JY8-12集成電路電壓繼電器

