工作時間 周一至周六 8:00-17:00
BZS-14延時中間繼電器用于較高精度定時或頻繁操作需要0.1-10s的動作或返回延時的各種保護或控制回路中。
BZS-14延時中間繼電器概述
中間繼電器的結構和原理與交流接觸器基本相同,與接觸器的主要區別在于:接觸器的主觸頭可以通過大電流,而中間繼電器的觸頭只能通過小電流。所以,它只能用于控制電路中。 它一般是沒有主觸點的,因為過載能力比較小。所以它用的全部都是輔助觸頭,數量比較多。
BZS-14延時中間繼電器主要技術參數
額定電壓:AC 220V、110V;DC 220V、110V、48V、24V。
接點形式:8動合;6動合2動斷;4動合4動斷;2動合6動斷;8動斷。
動作值:直流繼電器動作電壓不大于70%額定電壓;交流繼電器動作電壓不大于85%額定電壓
返回值:繼電器返回電壓不小于5%額定電壓。
延時整定誤差:不大于整定值的2%。
功率消耗:直流不大于10W;交流不大于10VA。
觸點容量:在電壓不超過250V,電流不超過5A,時間常數為5±0.75ms的直流有感負荷電路中,產品輸出觸點的斷開容量為50W。輸出觸點在上述規定的負荷條件下,產品能可靠動作及返回5×104次。輸出觸點長期允許接通電流為5A。
介質強度:產品各導電端子連在一起,對外露的非帶電金屬部分或外殼之間,能承受2000V(有效值)50Hz的交流電壓歷時1分鐘試驗而無絕緣擊穿或閃絡現象。
BZS-14延時中間繼電器產品延時分類表
動作延時 | 返回延時 | 備注 | ||
BZS-11 | 0.1-1s | BZS-15 | 0.1-1s | 型號末端帶表示交流規格 |
BZS-12 | 0.2-2.5s | BZS-16 | 0.2-2.5s | |
BZS-13 | 0.5-5s | BZS-17 | 0.5-5s | |
BZS-14 | 1-10s | BZS-18 | 1-10s | |
BZS-14延時中間繼電器內部接線圖及外引接線圖

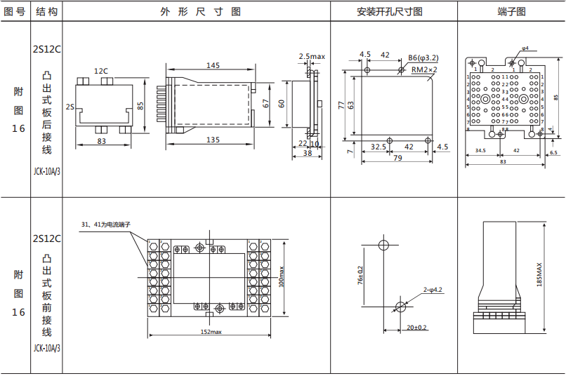
BZS-14延時中間繼電器外形及開孔尺寸

礦山冶金
化工、化肥、水泥、紡織
能源、環保
機械電子
火電、水電
造紙、制糖、制藥
市政基礎建設
原料、鋼鐵
上一篇:BZS-13延時中間繼電器
下一篇:DZ-3E/44(J)中間繼電器

